Квартирная станция SANEXT предназначена для подключения внутренних инженерных систем квартиры к централизованным системам холодного, горячего водоснабжения и отопления с насосной подачей воды и теплоносителя.
Основные функции
- Присоединение контуров систем водоснабжения и отопления индивидуальных потребителей к централизованному источнику.
- Организация учёта потребления холодной, горячей воды и тепловой энергии (возможна поставка станции без счётчиков, в этом случае будут установлены ремонтные вставки).
- Перекрытие поступающего потока воды и теплоносителя.
- Автоматическое удаление воздуха из квартирного контура системы отопления.
- В зависимости от комплектации, квартирная станция SANEXT может выполнять следующие функции:
– защита от гидроударов (гашение скачков давления) в системах холодного и горячего водоснабжения;
– очистка (фильтрация) воды и теплоносителя от механических примесей;
– исключение перетока (обратного потока) в системах холодного и горячего водоснабжения;
– снижение давления в контурах холодного и горячего водоснабжения до необходимого значения. Фактическое значение давления отображается на встроенном манометре;
– автоматическая стабилизация перепада давления и ограничение расхода в системах с переменным гидравлическим режимом (двухтрубные поквартирные системы отопления). Клапан SANEXT DPV-C может быть дополнен электроприводом и использоваться в качестве регулирующего клапана с функцией автоматического ограничения расхода в системах с переменным расходом регулируемой среды.
Технические характеристики
В таблице представлены характеристики квартирной станции стандартной комплектации, возможно производство под заказ. Технические характеристики отдельных элементов станции приведены в паспортах на эти изделия, размещенных в технической документации.
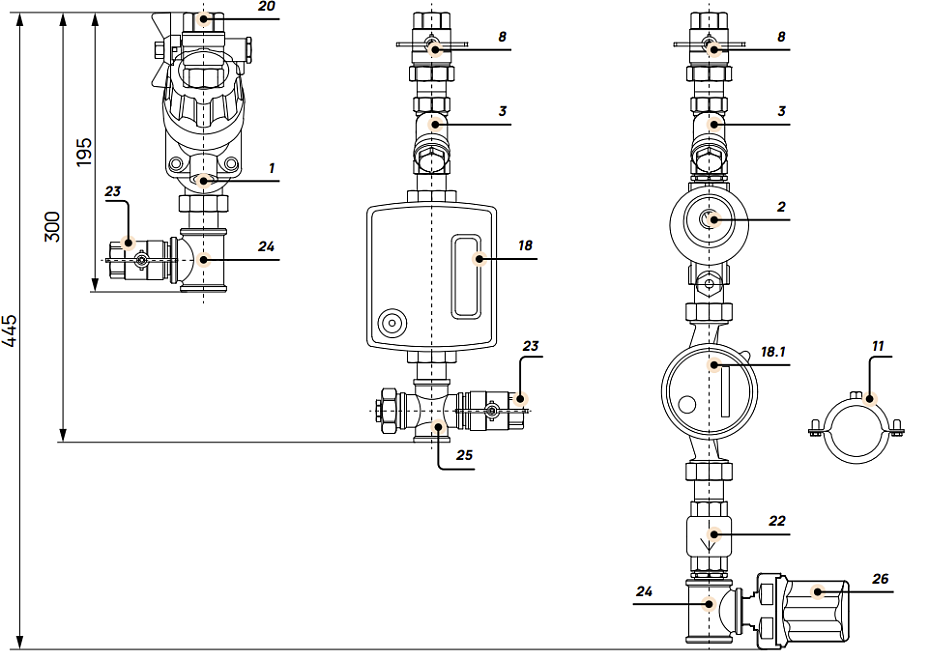
Комплектация и габаритные размеры


* В таблице приведена информация по квартирной станции стандартной комплектации, возможно производство под заказ.
Квартирная станция SANEXT поставляется с кронштейнами или хомутами для крепления к стене, упакованная в картонную коробку. Стикер с маркировкой расположен на коробке и на квартирной станции.